聯(lián)系我們
地址:蘇州市高新區(qū)嵩山路462號(hào)
郵編:215151
電話:86-0512-66728199
傳真:86-0512-66728590
聯(lián)系人:張先生
門基部:slc66728180@sulachang.com
銷售部:zhangxianda@sulachang.com
郵編:215151
電話:86-0512-66728199
傳真:86-0512-66728590
聯(lián)系人:張先生
門基部:slc66728180@sulachang.com
銷售部:zhangxianda@sulachang.com




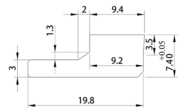
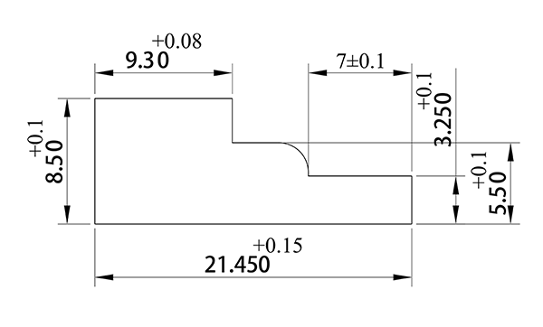
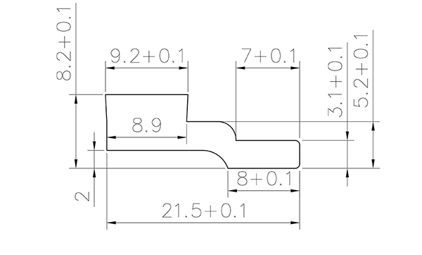
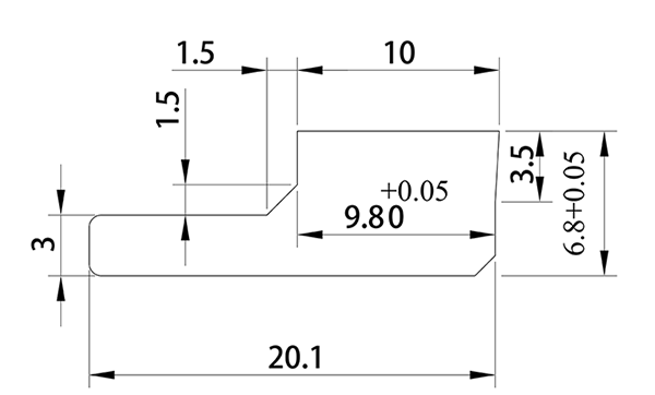
F8.5×21.45
2185
2125
2124
2123
2117
2112
2111
2109